BƠM CHÂN KHÔNG BESTECH MSBM-500S24 | BESTECH ROTARY VANE VACUUM PUMP MSBM-500S24


- Bơm chân không tăng áp Bestech MSBM-500S24, Bestech roots booster vacuum pump MSBM-500S24: là loại bơm chân không tăng áp cỡ lớn, phổ dụng trong công nghiệp. Bơm chân không tăng áp Bestech MSBM-500S24 có lưu lượng max: 2.340 m3/h, độ chân không sâu nhất: 5.3 Pa | 4x10-2 torr | 0.053 mbar.
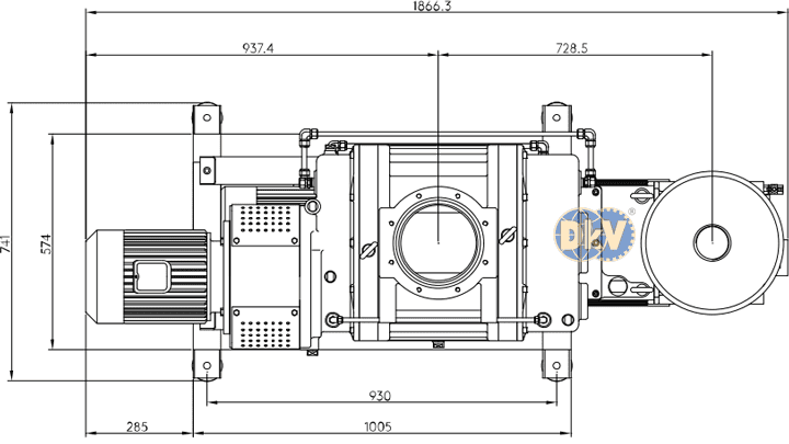
- Bản chất bơm chân không tăng áp Bestech MSBM-500S24 là sự ghép đôi của bơm tăng áp trục vít Bestech BM24A (2.340 m3/h, 6.75x10-4 mbar, 7.5 kW/380V/50Hz/3ph) làm bơm sơ cấp và bơm chân không vòng dầu 1 cấp Bestech MS500AS (400.8 m3/h, 0.053 mbar, 11 kW/380V/50Hz/3ph) làm bơm thứ cấp. Quý khách có thể lựa chọn động cơ phòng chống cháy nổ Ex (Option).
- Trong đó bơm tăng áp chân không Bestech BM24A có tác dụng tăng tốc độ hút và giảm độ chân không nhanh chóng. Tạo ra môi trường đầu vào sạch và thuận lợi cho bơm thứ cấp vòng dầu Bestech MS500AS hút ổn định.
- Bơm chân không tăng áp Bestech MSBM-500S24 có bích kết nối khí đầu vào (đối với bơm tăng áp): VG 200 và bích kết nối khí đầu ra (đối với bơm vòng dầu): VG50.
- Sử dụng dầu bôi trơn: 4.8 lít (cho bơm tăng áp chân không Bestech BM24A) và 20 lít (cho bơm chân không vòng dầu 1 cấp Bestech MS500AS).
- Hệ thống làm mát của bơm chân không tăng áp Bestech MSBM-500S24 là sự kết hợp của làm mát khí tự nhiên kết hợp nước cưỡng bức, để nâng cao hiệu suất làm việc (5 lít/phút đối với bơm tăng áp chân không Bestech BM24A và 8 lít/phút đối với bơm chân không vòng dầu 1 cấp Bestech MS500AS)
- Bơm chân không tăng áp Bestech MSBM-500S24 có lựa chọn lắp thêm khung thép gắn bánh xe đẩy tăng độ cứng vững, tủ điện điều khiển, các loại bích cút nối, đồng hồ đo chân không, lọc tách dầu đầu ra, lọc gió đầu vào, đèn cảnh báo, bình tích khí...(Option). Liên hệ với chúng tôi để được tư vấn chi tiết cụ thể.
- Bơm chân không tăng áp Bestech MSBM-500S24 được sản xuất tại Nhà máy của Bestech Co.,Ltd ở Gyeonggi - Hàn Quốc (thành lập năm 1989). Made in Korea. DKV VIET NAM nhập khẩu phân phối và service sau bán hàng tại Việt nam.
- Ngoài cung cấp bơm chân không tăng áp Bestech MSBM-500S24 và các sản phẩm (dầu chân không, lọc chân không, cánh gạt và phụ tùng Value) luôn có sẵn, chúng tôi còn cung cấp các hệ thống bơm chân không tăng áp của Woosung | Korea, chất lượng cao hơn của Hàn Quốc để thỏa mãn sự lựa chọn thêm của khách hàng, phù hợp với tiêu chí của khách hàng đặt ra.
- Giao hàng và service bơm chân không tăng áp Bestech MSBM-500S24 toàn quốc cho mọi khách hàng, hãy liên hệ với chúng tôi tại các văn phòng gần nhất, để được phục vụ.
-
Thông tin niêm yết sản phẩm tại hãng Bestech










THÔNG TIN CHUNG:
- Hãng sản xuất: Bestech | Korea.
- Bảo hành: 12 tháng.
- CO, CQ do nhà sản xuất Bestech cấp. Option: CO Phòng thương mại Hàn Quốc.

- Đơn giá: vui lòng liên hệ với chúng tôi để biết chi tiết.
- Xuất xứ: Bestech | Korea.
- Bảo hành: 12 tháng
- Quy cách đóng gói: hộp carton.
- Thời gian giao hàng: 2 - 3 ngày đối với hàng có sẵn tại Việt Nam, 20 - 45 ngày đối với hàng không có sẵn tại Việt Nam.
- Giao hàng toàn quốc, vui lòng tham khảo chính sách giao hàng phía dưới website.












