BƠM CHÂN KHÔNG BESTECH MS960AS | BESTECH ROTARY VANE VACUUM PUMP MS960AS


- Bơm chân không Bestech MS960AS, Bestech oil lubricated rotary vane vacuum pumps MS960AS: thuộc dạng bơm hút chân không vòng dầu (oil-flooded), 1 cấp (single stage) có lưu lượng: 13.300 lít/phút (798 m3/h), độ chân không sâu nhất: 5.3 Pa | 4x10-2 torr | 0.053 mbar (khi đóng chấn lưu khí Gas Ballast) chuyên dùng để hút chân không trong công nghiệp.
- Công nghệ tạo chân không của bơm chân không Bestech MS960AS: cánh gạt. Thao tác lắp đặt vận hành, đơn giản, nhanh gọn. Hoạt động êm ái ổn định, tuổi thọ dài lâu. Kích thước (cỡ) cổ hút/xả: VG150 | VG100.
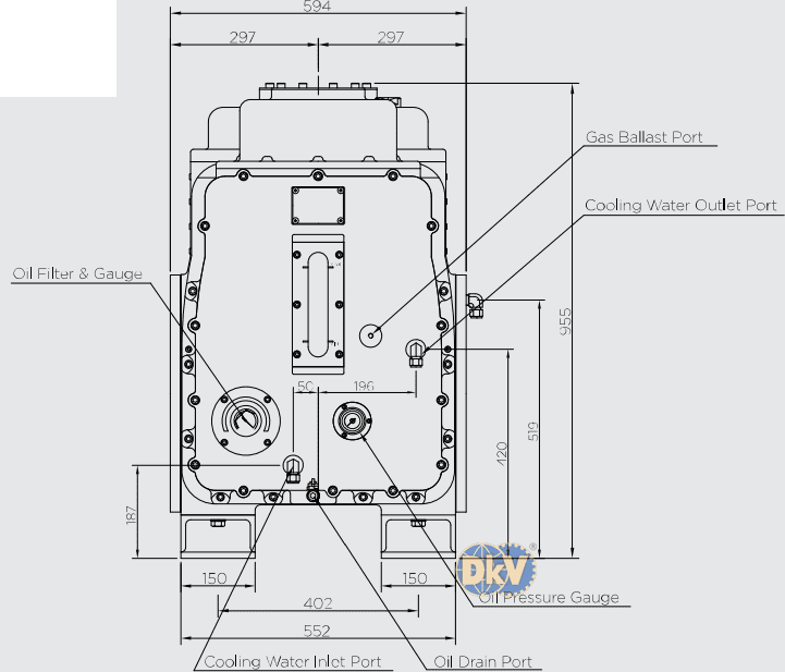
- Chân lưu khí (Gas Ballast) được đặt gọn trên mặt bơm chân không Bestech MS960AS, có tác dụng: loại bỏ ngưng tụ hơi nước (hạn chế lẫn với dầu) và điều chỉnh áp (tăng/giảm) một cách nhanh chóng và thuận tiện.
- Bơm chân không Bestech MS960AS trang bị cơ cấu chống hút ngược kép, tự động ngăn dầu hút ngược và bảo vệ hệ thống chân không của bạn khỏi sự nhiễm bẩn dầu một cách đáng tin cậy hơn sau khi tắt máy bơm chân không. Phớt chịu nhiệt FKM (Viton), tăng khả năng chống ăn mòn và giải quyết vấn đề rò rỉ dầu.
- Ngoài làm mát bằng quạt và gió tự nhiên, bơm chân không Bestech MS960AS còn được làm mát bằng nước cưỡng bức chạy dọc quanh thân bơm, với lưu lượng: 20 lít/phút, áp nước vào: < 2 bar.
- Bơm chân không Bestech MS960AS có độ ồn max: 75 dB(A). Sử dụng động cơ: 22 kW, điện áp 380V/50Hz/3ph tiêu chuẩn DIN EN 60034, tốc độ vòng quay động cơ:1.450 vòng/phút. Có thể lắp động cơ phòng chống cháy nổ Ex (sử dụng trong môi trường có tính cháy nổ cao), nếu khách yêu cầu.
- Bơm chân không Bestech MS960AS trang bị khe thăm dầu dọc đầu bơm, dễ quan sát tình trạng dầu, sử dụng dầu bôi trơn có dung tích 80 lít, Bestech chỉ định sử dụng dầu chân không Moresco MR-200 (NEOVAC), có độ bền cao, chi phí bảo dưỡng, sửa chữa thấp.
- Trọng lượng: 1.405 kg. Kích thước bao (dài x rộng x cao): 1.938 x 594 x 942 mm.
- Bơm chân không Bestech MS960AS được sản xuất tại Nhà máy của Bestech Co.,Ltd ở Gyeonggi - Hàn Quốc (thành lập năm 1989). Made in Korea. DKV VIET NAM nhập khẩu phân phối và service sau bán hàng tại Việt nam.
- Để việc vận hành bơm chân không Bestech MS960AS hoàn chỉnh, quý khách lên lắp thêm: áp kế (đồng hồ đo chân không - vacuum gauge) để giám sát độ chân không của bơm. Cũng như lọc gió đầu vào (air inlet filter) để hạn chế bụi, dị vật lọt vào bơm.
- Để tăng tốc độ hút, độ chân không giảm nhanh khi vận hành khởi động ban đầu, khách hàng có thể chọn thêm giải pháp ghép đôi giữa bơm chân không Bestech MS960AS với bơm tăng áp (root booster) chân không. Nhận tư vấn, cung cấp, thi công, lắp đặt hệ thống phối nhiều bơm chân không hoạt động cùng lúc, đấu nối với bơm tăng áp, bình tích khí, valve điều khiển, tủ điện điều khiển PLC....phù hợp với các dây chuyền lớn.
- Ngoài cung cấp bơm chân không Bestech MS960AS và các sản phẩm (dầu chân không, lọc chân không, cánh gạt và phụ tùng Bestech) luôn có sẵn, chúng tôi còn có sẵn các loại bơm chân không tiêu chuẩn của DooVac | Korea, WoonVac | Korea, Value | China, giá rẻ hơn để thỏa mãn sự lựa chọn thêm của khách hàng, phù hợp với tiêu chí của khách hàng đặt ra.
- Giao hàng và service bơm chân không Bestech MS960AS toàn quốc cho mọi khách hàng, hãy liên hệ với chúng tôi tại các văn phòng gần nhất, để được phục vụ.
-
Thông tin niêm yết sản phẩm tại hãng Bestech












THÔNG TIN CHUNG:
- Hãng sản xuất: Bestech | Korea.
- Bảo hành: 12 tháng.
- CO, CQ do nhà sản xuất Bestech cấp. Option: CO Phòng thương mại Hàn Quốc.

- Đơn giá: vui lòng liên hệ với chúng tôi để biết chi tiết.
- Xuất xứ: Bestech | Korea.
- Bảo hành: 12 tháng
- Quy cách đóng gói: hộp carton.
- Thời gian giao hàng: 2 - 3 ngày đối với hàng có sẵn tại Việt Nam, 20 - 45 ngày đối với hàng không có sẵn tại Việt Nam.
- Giao hàng toàn quốc, vui lòng tham khảo chính sách giao hàng phía dưới website.












