BƠM CHÂN KHÔNG ULVAC VS750A-W | ULVAC VACUUM PUMP VS750A-W

- Bơm chân không ULVAC VS750A-W, bơm hút chân không ULVAC VS750A-W, ULVAC Oil Sealed Rotary Vacuum Pumps VS750A-W là loại bơm chân không vòng dầu có lưu lượng: 750 m3/h , độ chân không đạt 8 x 10-2 mbar chuyên dùng để hút chân không trong công nghiệp.
- Bơm chân không ULVAC VS750A-W sử dụng động cơ: 22 kW, điện áp 380V/50Hz/3ph.
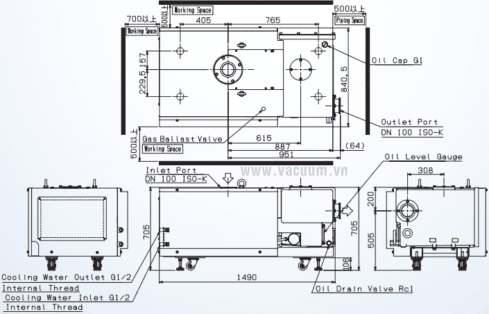
- Size kết nối vào/ra bơm chân không ULVAC VS750A-W: K-ISO 100 DN.
- Bơm chân không ULVAC VS750A-W sử dụng dầu chân không chuyên dụng 7-R ULVOIL với dung tích đổ mỗi lần: 25 - 30 lít. Khuyến nghị lên 3 tháng thay dầu một lần, để đảm bảo tuổi thọ và tính ốn định của bơm chân không ULVAC VS750A-W.
- Kích thước bơm chân không ULVAC VS750A-W: 705 × 841 × 1490 mm .
- Trọng lượng bơm chân không ULVAC VS750A-W (chưa đổ dầu): 796 kg.
- Nhiệt độ môi trường đặt bơm chân không ULVAC VS750A-W hoạt động lý tưởng: 5 - 300C.
- Made in Japan.
- Bảo hành: 12 tháng.
-
Thông tin niêm yết sản phẩm tại hãng Ulvac

-
Catalogue, thông số kỹ thuật chi tiết xem tại đây







THÔNG TIN CHUNG:- Hãng sản xuất: ULVAC/Japan (Made in Japan).
- Bảo hành: 12 tháng.
- CO, CQ do nhà sản xuất ULVAC cấp. Option: CO Phòng thương mại Nhật Bản.

- Đơn giá: vui lòng liên hệ với chúng tôi để biết chi tiết.
- Xuất xứ: ULVAC/Japan.
- CO, CQ ( test report) do ULVAC cấp.
- Quy cách đóng gói: hộp carton.
- Bảo hành: 12 tháng.
- Thời gian giao hàng: 2-3 ngày đối với hàng có sẵn tại Việt nam, 10-30 ngày đối với hàng không có sẵn tại Việt nam.
- Giao hàng toàn quốc, vui lòng tham khảo chính sách giao hàng phía dưới website.















