BƠM CHÂN KHÔNG ULVAC GHD-031B | ULVAC VACUUM PUMP GHD-031B

- Bơm chân không ULVAC GHD-031B, bơm hút chân không ULVAC GHD-031B, ULVAC Oil Sealed Rotary Vacuum Pumps GHD-031B thuộc dạng bơm hút chân không vòng dầu (oil-flooded), 2 cấp (dual stage), loại nhỏ, có lưu lượng: 1.8 m3/h (30 lít/phút), độ chân không đạt: 6.7x10-3 mbar (khi đóng chấn lưu khí Gas ballast), 6.7x10-2 mbar (khi mở chấn lưu khí Gas ballast), chuyên dùng để hút chân không trong công nghiệp.
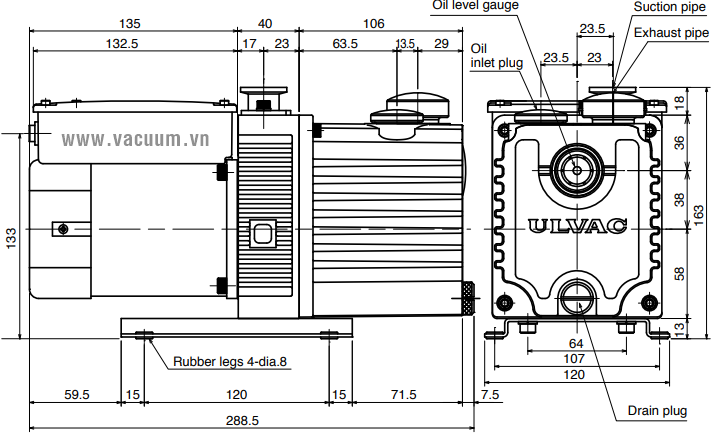
- Công nghệ tạo chân không của bơm chân không ULVAC GHD-031B: cánh gạt (2 cánh gạt | 2 cặp). Thân vỏ bằng gang đúc, chắc chắn, làm mát bằng khí tự nhiên kết hợp với quạt cưỡng bức, thoát nhiệt tốt giúp bơm chân không ULVAC GHD-031B hoạt động êm ái ổn định, tuổi thọ dài lâu, thân thiện môi trường. Kích thước (cỡ) cổ hút/xả: KF 16 | KF 16.
- Bơm chân không ULVAC GHD-031B trang bị cơ cấu chống hút ngược kép, tự động ngăn dầu hút ngược và bảo vệ hệ thống chân không của bạn khỏi sự nhiễm bẩn dầu một cách đáng tin cậy hơn sau khi tắt máy bơm chân không. Phớt chịu nhiệt FKM (Viton), tăng khả năng chống ăn mòn và giải quyết vấn đề rò rỉ dầu.
- Chân lưu khí (Gas Ballast) được đặt gọn trên mặt bơm chân không ULVAC GHD-031B, có tác dụng: loại bỏ ngưng tụ hơi nước (hạn chế lẫn với dầu) và điều chỉnh áp (tăng/giảm) một cách nhanh chóng và thuận tiện.
- Bơm chân không ULVAC GHD-031B sử dụng động cơ: 100 W, điện áp 200-240V/50Hz/1ph.
- Bơm chân không ULVAC GHD-031B trang bị khe thăm dầu dọc đầu bơm, dễ quan sát tình trạng dầu, sử dụng dầu chân không chuyên dụng Ulvac R-2 với dung tích đổ mỗi lần: 370 ml. Khuyến nghị lên 3 tháng thay dầu một lần, để đảm bảo tuổi thọ và tính ốn định của bơm chân không ULVAC GHD-031B.
- Nhiệt độ môi trường làm việc phù hợp với bơm: 7 - 400C, độ ẩm < 80%. Bơm chân không ULVAC GHD-031B bảo trì bảo dưỡng đơn giản, có chi phí thấp, chủ yếu thay thế cánh gạt và thay dầu mới.
- Quy cách của bơm chân không ULVAC GHD-031B: trọng lượng: 9.3 kg, kích thước bao (dài x rộng x cao): 288.5 x 120 x 163 mm.
- Bơm chân không ULVAC GHD-031B được sản xuất tại Nhà máy của Ulvac - Ninh Ba - Trung Quốc. Made in China. DKV VIET NAM nhập khẩu, phân phối và service tại Việt Nam.
- Để việc vận hành bơm chân không ULVAC GHD-031B hoàn chỉnh, quý khách lên lắp thêm: áp kế (đồng hồ đo chân không - vacuum gauge) để giám sát độ chân không của bơm. Cũng như lọc gió đầu vào (air inlet filter) để hạn chế bụi, dị vật lọt vào bơm và lọc tách dầu (oil mist filter) đường khí đầu ra, để hạn chế dầu thoát ra ngoài.
- Để tăng tốc độ hút, độ chân không giảm nhanh khi vận hành khởi động ban đầu, khách hàng có thể chọn thêm giải pháp ghép đôi giữa bơm chân không ULVAC GHD-031B với bơm tăng áp (root booster) chân không. Nhận tư vấn, cung cấp, thi công, lắp đặt hệ thống phối nhiều bơm chân không hoạt động cùng lúc, đấu nối với bơm tăng áp, bình tích khí, valve điều khiển, tủ điện điều khiển PLC....phù hợp với các dây chuyền lớn.
- Ngoài cung cấp bơm chân không ULVAC GHD-031B và các sản phẩm (dầu chân không, lọc chân không, cánh gạt và phụ tùng Ulvac), chúng tôi còn có sẵn các loại bơm chân không tiêu chuẩn của WSA | Korea, Woosung | Korea, Value | China, giá rẻ hơn để thỏa mãn sự lựa chọn thêm của khách hàng, phù hợp với tiêu chí của khách hàng đặt ra.
- Giao hàng và service bơm chân không ULVAC GHD-031B toàn quốc cho mọi khách hàng, hãy liên hệ với chúng tôi tại các văn phòng gần nhất, để được phục vụ.
-
Thông tin niêm yết sản phẩm tại hãng Ulvac

-
Catalogue, thông số kỹ thuật chi tiết xem tại đây









THÔNG TIN CHUNG:- Hãng sản xuất: ULVAC/Japan (Made in Japan).
- Bảo hành: 12 tháng.
- CO, CQ do nhà sản xuất ULVAC cấp. Option: CO Phòng thương mại Nhật Bản.

- Đơn giá: vui lòng liên hệ với chúng tôi để biết chi tiết.
- Xuất xứ: ULVAC/Japan.
- CO, CQ ( test report) do ULVAC cấp.
- Quy cách đóng gói: hộp carton.
- Bảo hành: 12 tháng.
- Thời gian giao hàng: 2-3 ngày đối với hàng có sẵn tại Việt nam, 10-30 ngày đối với hàng không có sẵn tại Việt nam.
- Giao hàng toàn quốc, vui lòng tham khảo chính sách giao hàng phía dưới website.
















