BƠM CHÂN KHÔNG EDWARDS nES100 | BƠM HÚT CHÂN KHÔNG EDWARDS nES100 | EDWARDS VACUUM PUMP nES100


- Bơm chân không Edwards nES100, bơm hút chân không Edwards nES100, Edward Vacuum oil sealed rotary vane pump nES100 là loại bơm chân không vòng dầu 1 cấp, cỡ lớn, có lưu lượng: 98 m3/h, độ chân không 1.5 mbar | 1.1 Torr (khi mở chấn lưu khí Gas Ballast) và 0.5 mbar | 0.4 Torr (khi đóng chấn lưu khí Gas Ballast), tốc độ hơi nước max: 1.6 kgh-1, chuyên dùng để hút chân không trong công nghiệp.
- Công nghệ tạo chân không của bơm chân không Edwards nES100: cánh gạt. Thao tác lắp đặt vận hành, đơn giản, nhanh gọn. Hoạt động êm ái ổn định, tuổi thọ dài lâu. Kích thước (cỡ) cổ hút/xả: bích ISO 40 | G1-1/4.
- Chân lưu khí (Gas Ballast) được đặt gọn trên mặt bơm chân không Edwards nES100, có tác dụng: loại bỏ ngưng tụ hơi nước (hạn chế lẫn với dầu) và điều chỉnh áp (tăng/giảm) một cách nhanh chóng và thuận tiện.
- Bơm chân không Edwards nES100 trang bị cơ cấu chống hút ngược kép, tự động ngăn dầu hút ngược và bảo vệ hệ thống chân không của bạn khỏi sự nhiễm bẩn dầu một cách đáng tin cậy hơn sau khi tắt máy bơm chân không. Phớt chịu nhiệt FKM (Viton), tăng khả năng chống ăn mòn và giải quyết vấn đề rò rỉ dầu.
- Bơm chân không Edwards nES100 có độ ồn max: 61 dB(A), sử dụng động cơ: 3.0 kW, điện áp 220V/50-60Hz/1ph hoặc 380V/50-60Hz/3ph, tiêu chuẩn IEC EN60320 C13, cấp bảo vệ IP55.
- Bơm chân không Edwards nES100 trang bị khe thăm dầu dọc đầu bơm, dễ quan sát tình trạng dầu, sử dụng dầu chân không chuyên dụng Edwards Ultragrade 110, với dung tích đổ mỗi lần: 2 lít. Khuyến nghị lên 3 tháng thay dầu một lần, để đảm bảo tuổi thọ và tính ốn định của bơm chân không Edwards nES100.


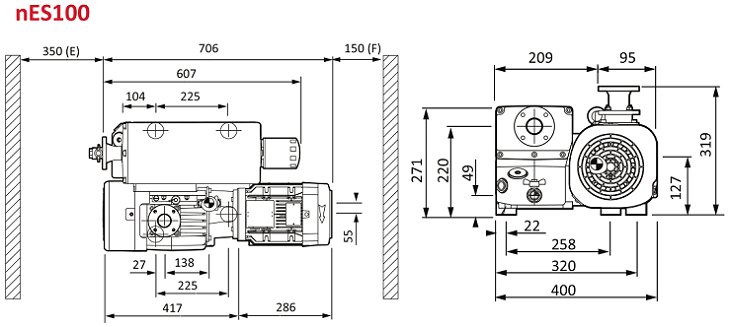
- Kích thước (dài x rộng x cao): 762 x 434 x 317 mm. Trọng lượng bơm chân không Edwards nES100 (chưa đổ dầu): 104 kg.
- Nhiệt độ môi trường đặt bơm chân không Edwards nES100 hoạt động lý tưởng: 12 - 400C.
- Đóng gói tiêu chuẩn: hộp carton đóng trên pallet gỗ, đi kèm đĩa CD Room hướng dẫn sử dụng, chứng chỉ kiểm tra trước khi xuất xưởng (Test report).
- Bơm chân không Edwards nES100 được sản xuất và chế tạo tại nhà máy Edwards thuộc Tập đoàn Atlas Copco, đặt tại Pháp. Made in France. DKV VIET NAM nhập khẩu, phân phối và service tại Việt Nam.
- Để việc vận hành bơm chân không Edwards nES100 hoàn chỉnh, quý khách lên lắp thêm: áp kế (đồng hồ đo chân không - vacuum gauge) để giám sát độ chân không của bơm. Cũng như lọc gió đầu vào (air inlet filter) để hạn chế bụi, dị vật lọt vào bơm và lọc tách dầu (oil mist filter) đường khí đầu ra, để hạn chế dầu thoát ra ngoài.
- Để tăng tốc độ hút, độ chân không giảm nhanh khi vận hành khởi động ban đầu, khách hàng có thể chọn thêm giải pháp ghép đôi giữa bơm chân không Edwards nES100 với bơm tăng áp (root booster) chân không. Nhận tư vấn, cung cấp, thi công, lắp đặt hệ thống phối nhiều bơm chân không hoạt động cùng lúc, đấu nối với bơm tăng áp, bình tích khí, valve điều khiển, tủ điện điều khiển PLC....phù hợp với các dây chuyền lớn.
- Ngoài cung cấp bơm chân không Edwards nES100 và các sản phẩm (dầu chân không, lọc chân không, cánh gạt và phụ tùng Edwards), chúng tôi còn có sẵn các loại bơm chân không tiêu chuẩn của WSA | Korea, Woosung | Korea, Value | China, giá rẻ hơn để thỏa mãn sự lựa chọn thêm của khách hàng, phù hợp với tiêu chí của khách hàng đặt ra.
- Giao hàng và service bơm chân không Edwards nES100 toàn quốc cho mọi khách hàng, hãy liên hệ với chúng tôi tại các văn phòng gần nhất, để được phục vụ.
-
Thông tin niêm yết sản phẩm tại hãng Edwards

-
Catalogue, thông số kỹ thuật chi tiết xem tại đây













THAM KHẢO THÊM:

- Xuất xứ: Edwards (Made in France).
- CO, CQ do nhà sản xuất Edwards cấp (Option: CO Phòng thương mại nước sản xuất)
- Bảo hành: 12 tháng (theo tiêu chuẩn nhà sản xuất).
- Quy cách đóng gói: hộp carton.
- Thời gian giao hàng: 1 - 2 ngày (đối với hàng có sẵn tại Việt nam) , 15 - 45 ngày (đối với hàng không có tại Việt nam, tùy thời điểm đặt hàng). Giao hàng toàn quốc.

















