MÁY NÉN KHÍ BECKER BCP 150 | BECKER CLAW COMPRESSOR BCP 150


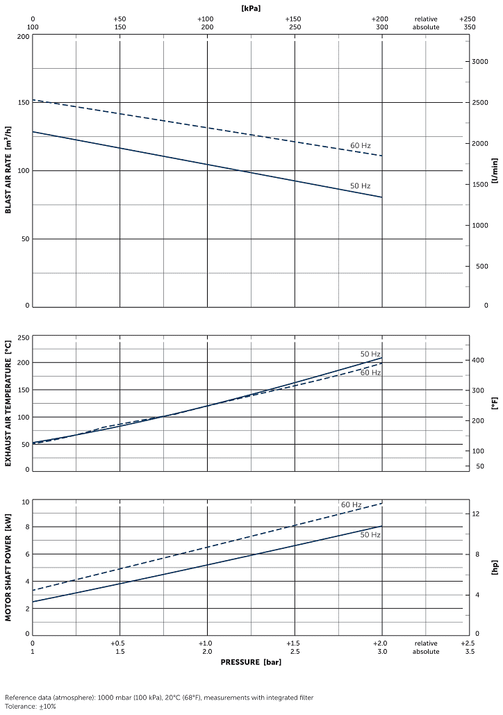
- Máy nén khí Becker BCP 150, Becker claw compressor BCP 150 thuộc dạng máy nén khí khô, không dầu (Dry compressor) cỡ lớn, có lưu lượng max: 150 m3/h, áp suất làm việc đạt 0.8 - 2 bar.
- Công nghệ tạo chân không của máy nén khí Becker BCP 150: trục vít. Thao tác lắp đặt vận hành, đơn giản, nhanh gọn. Hoạt động em ái ổn định, tuổi thọ dài lâu.
- Ứng dụng máy nén khí Becker BCP 150: trong dây chuyên công nghiệp sạch (thực phẩm, đồ uống, bao bì, y tế.....)
- Máy nén khí Becker BCP 150 sử dụng động cơ 5.5 - 11 kW/230 - 400V/50Hz/3ph, cấp bảo vệ IP55, tốc độ vòng quay động cơ: 2.890 - 2.955 vòng/phút, có độ ồn trung bình: 77 dB(A).
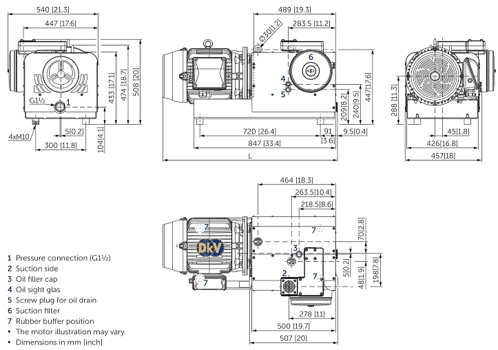
- Trọng lượng: 116.5 kg (chưa tính trọng lượng motor tùy chọn: 66 - 118 kg).
- Máy nén khí Becker BCP 150 được chế tạo và sản xuất tại Nhà máy của Becker GmbH, thủ phủ công nghiệp nước Đức - Wuppertal. Made in Germany.
-
Thông tin niêm yết sản phẩm tại hãng Becker

-
Catalogue, thông số kỹ thuật chi tiết xem tại đây









THÔNG TIN CHUNG:
- Hãng sản xuất: Becker/Germany (Made in Germany).
- Bảo hành: 12 tháng.
- CO, CQ do nhà sản xuất Becker cấp. Option: CO Phòng thương mại Đức.

- Đơn giá: vui lòng liên hệ với chúng tôi để biết chi tiết.
- Xuất xứ: Becker/Germany.
- CO, CQ ( test report) do Becker cấp.
- Quy cách đóng gói: hộp carton.
- Bảo hành: 12 tháng.
- Thời gian giao hàng: 2-3 ngày đối với hàng có sẵn tại Việt nam, 10-30 ngày đối với hàng không có sẵn tại Việt nam.
- Giao hàng toàn quốc, vui lòng tham khảo chính sách giao hàng phía dưới website.
















