BƠM CHÂN KHÔNG BECKER VARIAIR BCV 300 | BECKER CLAW VACUUM PUMP VARIAIR BCV 300


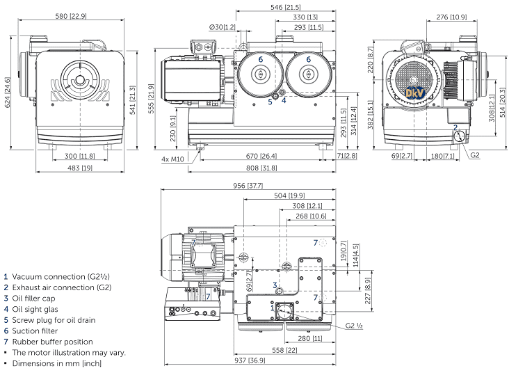
- Bơm chân không Becker VARIAIR BCV 300, Becker claw vacuum pump VARIAIR BCV 300 thuộc dạng bơm chân không khô, không dầu (Dry vacuum pump) cỡ lớn, có lưu lượng max: 325 m3/h, áp suất làm việc đạt 150 mbar.
- Công nghệ tạo chân không của bơm chân không Becker VARIAIR BCV 300: trục vít. Thao tác lắp đặt vận hành, đơn giản, nhanh gọn. Hoạt động em ái ổn định, tuổi thọ dài lâu.
- Ứng dụng bơm chân không Becker VARIAIR BCV 300: trong dây chuyên công nghiệp sạch (thực phẩm, đồ uống, bao bì, y tế.....)
- Bơm chân không Becker VARIAIR BCV 300 sử dụng động cơ 7.5 kW/400 - 480V/50Hz/3ph, cấp bảo vệ IP55, có độ ồn trung bình: 74 dB(A).
- Trọng lượng: 340 kg.
- Bơm chân không Beker VARIAIR BCV 300 được chế tạo và sản xuất tại Nhà máy của Becker GmbH, thủ phủ công nghiệp nước Đức - Wuppertal. Made in Germany.
-
Thông tin niêm yết sản phẩm tại hãng Becker

-
Catalogue, thông số kỹ thuật chi tiết xem tại đây







THÔNG TIN CHUNG:
- Hãng sản xuất: Becker/Germany (Made in Germany).
- Bảo hành: 12 tháng.
- CO, CQ do nhà sản xuất Becker cấp. Option: CO Phòng thương mại Đức.

- Đơn giá: vui lòng liên hệ với chúng tôi để biết chi tiết.
- Xuất xứ: Becker/Germany.
- CO, CQ ( test report) do Becker cấp.
- Quy cách đóng gói: hộp carton.
- Bảo hành: 12 tháng.
- Thời gian giao hàng: 2-3 ngày đối với hàng có sẵn tại Việt nam, 10-30 ngày đối với hàng không có sẵn tại Việt nam.
- Giao hàng toàn quốc, vui lòng tham khảo chính sách giao hàng phía dưới website.



















