BƠM CHÂN KHÔNG BECKER VX 4.16 | BECKER VACUUM PUMP VX 4.16 | 16 m3/h | 100 mbar


- Bơm chân không Becker VX 4.16, Becker vacuum pump VX 4.16 là loại bơm chân không không dầu dùng trong dây chuyền công nghiệp sạch...Bơm chân không Becker VX4.16 có độ chân không trung bình 100 mbar, với lưu lượng max: 16 m3/h.
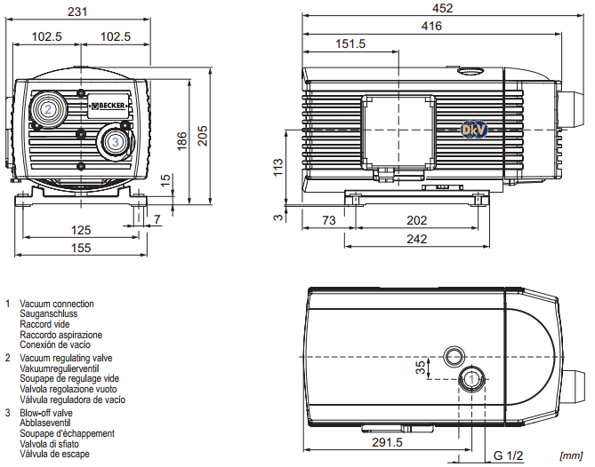
- Công nghệ tạo chân không của Bơm chân không Beker VX 4.16: cánh gạt composite (7 cánh). Thao tác lắp đặt vận hành, đơn giản, nhanh gọn. Thân vỏ bằng gang đúc, chắc chắn, thoát nhiệt tốt giúp bơm hoạt động em ái ổn định, tuổi thọ dài lâu. Size cổ hút: 1/2".
- Valve chỉnh áp bố trí phía đầu bơm, cho phép điều chỉnh tăng/giảm nhanh chóng, dễ dàng.
- Ứng dụng của Bơm chân không Becker VX4.16: trong dây chuyên công nghiệp sạch (thực phẩm, đồ uống, bao bì, y tế, chế biến gỗ ....).
-
Bơm chân không Beker VX 4.16 bảo trì bảo dưỡng đơn giản, có chi phí thấp, chủ yếu thay thế cánh gạt (Mã cánh gạt Becker: 90141200007
) và lọc gió (Mã lọc gió Becker: 90951901000
), thao tác tham khảo video bên dưới. - Bơm chân không Becker VX 4.16 có độ ồn trung bình: 61 dB(A), sử dụng động cơ điện: 0.55 kW, 230V/50Hz/1ph hoặc 380 - 400V/50Hz/3ph (cấp bảo vệ IP54.ISO F), tốc độ vòng quay động cơ: 1.600 - 1.700 rpm.
- Quy cách bơm chân không Beker VX 4.16: trọng lượng: 22.5 kg, kích thước bao (dài x rộng x cao): 452 x 231 x 205 mm.
- Bơm chân không Beker VX 4.16 được chế tạo và sản xuất tại Nhà máy của Becker GmbH, thủ phủ công nghiệp nước Đức - Wuppertal. Made in Germany.
- Do tính ổn định và chi phí vận hành sửa chữa thấp, thương hiệu mạnh tới từ Đức (thành lập năm 1885). Ngày nay bơm chân không Becker dòng bơm chân không khô VT, VX là một trong các dòng sản phẩm bơm chân không khô (không dầu) ưu chuộng nhất thị trường ứng dụng trong đa lĩnh vực.
- Để việc vận hành bơm chân không khô Beker VX 4.16 hoàn chỉnh, quý khách lên lắp thêm: áp kế (đồng hồ đo chân không - vacuum gauge) để giám sát độ chân không của bơm. Cũng như lọc gió đầu vào (air inlet filter) để hạn chế bụi, dị vật lọt vào bơm.
- Để tăng tốc độ hút, độ chân không giảm nhanh khi vận hành khởi động ban đầu, khách hàng có thể chọn thêm giải pháp ghép đôi giữa bơm chân không khô Beker VX 4.16 với bơm tăng áp (root booster) chân không. Nhận tư vấn, cung cấp, thi công, lắp đặt hệ thống phối nhiều bơm chân không khô Beker VX 4.16 hoạt động cùng lúc, đấu nối với bơm tăng áp, bình tích khí, valve điều khiển, tủ điện điều khiển PLC....phù hợp với các dây chuyền lớn.
- Ngoài cung cấp bơm chân không khô Beker VX 4.16 và các phụ tùng Becker, chúng tôi còn cung cấp các loại bơm chân không khô chất lượng tương đương của Busch hoặc giá rẻ hơn của Trung Quốc để thỏa mãn sự lựa chọn thêm của khách hàng, phù hợp với tiêu chí của khách hàng đặt ra.
- Giao hàng và service bơm chân không khô Beker VX 4.16 toàn quốc cho mọi khách hàng, hãy liên hệ với chúng tôi tại các văn phòng gần nhất, để được phục vụ.









THÔNG TIN CHUNG:
- Hãng sản xuất: Becker/Germany (Made in Germany).
- Bảo hành: 12 tháng.
- CO, CQ do nhà sản xuất Becker cấp. Option: CO Phòng thương mại Đức.

- Đơn giá: vui lòng liên hệ với chúng tôi để biết chi tiết.
- Xuất xứ: Becker/Germany.
- CO, CQ ( test report) do Becker cấp.
- Quy cách đóng gói: hộp carton.
- Bảo hành: 12 tháng.
- Thời gian giao hàng: 2-3 ngày đối với hàng có sẵn tại Việt nam, 10-30 ngày đối với hàng không có sẵn tại Việt nam.
- Giao hàng toàn quốc, vui lòng tham khảo chính sách giao hàng phía dưới website.























