BƠM CHÂN KHÔNG BECKER T 4.25 DV | BECKER VACUUM PUMP T 4.25 DV


- Bơm chân không Becker T 4.25 DV, Becker vacuum pump T 4.25 DV là loại bơm chân không không dầu dùng trong dây chuyền công nghiệp sạch...Bơm chân không Becker T 4.25 DV có độ chân không tuyệt đối +/- 500 mbar (+/- 0.5 bar), với lưu lượng max: 25 m3/h.
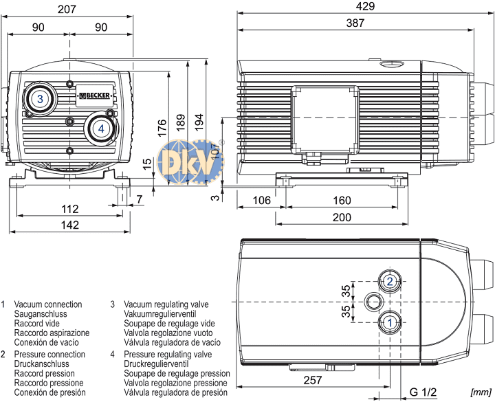
- Công nghệ tạo chân không của Bơm chân không Beker T 4.25 DV: cánh gạt composite (7 cánh). Thao tác lắp đặt vận hành, đơn giản, nhanh gọn. Thân vỏ bằng gang đúc, chắc chắn, thoát nhiệt tốt giúp bơm hoạt động em ái ổn định, tuổi thọ dài lâu. Size cổ hút: 3/4".
- Valve chỉnh áp và valve chỉnh độ chân không bố trí phía đầu bơm, cho phép điều chỉnh tăng/giảm nhanh chóng, dễ dàng.
- Đa ứng dụng của Bơm chân không Beker T 4.25 DV: trong dây chuyên công nghiệp sạch (thực phẩm, đồ uống, bao bì, y tế, chế biến gỗ.....).
-
Bơm chân không Beker T 4.25 DV bảo trì bảo dưỡng đơn giản, có chi phí thấp, chủ yếu thay thế cánh gạt (Mã cánh gạt Becker: 90134900007
) và 3 lọc gió (Mã lọc gió Becker: 90950500000
, Becker: 90951800000
và Becker 90952900000
), thao tác tham khảo video bên dưới. - Bơm chân không Beker T 4.25 DV có độ ồn trung bình: 66 dB(A) gắn động cơ điện 0.8 kW/230V/50Hz/1ph hoặc 0.75 kW/380 - 400V/50Hz/3ph (cấp bảo vệ IP54.ISO F), tốc độ vòng quay động cơ: 1.350 - 1.430 rpm.
- Quy cách bơm chân không Beker T 4.25 DV: trọng lượng: 38.5 kg, kích thước bao (dài x rộng x cao): 505 x 260 x 290 mm.
- Bơm chân không Beker T 4.25 DV được chế tạo và sản xuất tại Nhà máy của Becker GmbH, thủ phủ công nghiệp nước Đức - Wuppertal. Made in Germany.
- Do tính ổn định và chi phí vận hành sửa chữa thấp, thương hiệu mạnh tới từ Đức (thành lập năm 1885). Ngày nay bơm chân không Becker dòng bơm chân không khô VT, VX, DT, DX, T và X là một trong các dòng sản phẩm bơm chân không khô (không dầu) ưu chuộng nhất thị trường ứng dụng trong đa lĩnh vực.
-
Thông tin sản phẩm niêm yết tại hãng Becker | Đức

-
Catalogue thông số sản phẩm chi tiết xem tại đây














- Đơn giá: vui lòng liên hệ với chúng tôi để biết chi tiết.
- Xuất xứ: Becker/Germany.
- CO, CQ ( test report) do Becker cấp.
- Quy cách đóng gói: hộp carton.
- Bảo hành: 12 tháng.
- Thời gian giao hàng: 2-3 ngày đối với hàng có sẵn tại Việt nam, 10-30 ngày đối với hàng không có sẵn tại Việt nam.
- Giao hàng toàn quốc, vui lòng tham khảo chính sách giao hàng phía dưới website.
















