BƠM CHÂN KHÔNG LEYBOLD SOGEVAC SV 10 B | LEYBOLD VACUUM PUMP SOGEVAC SV 10 B | 9.5 m3/h | 1.5 mbar


- Bơm chân không Leybold SOGEVAC SV 10 B, bơm hút chân không Leybold SOGEVAC SV 10 B, Leybold vacuum oil sealed vacuum pumps SOGEVAC SV 10 B là loại bơm chân không vòng dầu, 1 cấp, có lưu lượng max: 9.5 m3/h, độ chân không đạt < 1.5 mbar.(khi đóng chấn lưu khí Gas Ballast), 2.5 mbar (khi mở chấn lưu khí Gas Ballast).
- Công nghệ tạo chân không của bơm chân không Leybold SOGEVAC SV 10 B: cánh gạt. Thao tác lắp đặt vận hành, đơn giản, nhanh gọn. Hoạt động êm ái ổn định, tuổi thọ dài lâu. Kích thước (cỡ) cổ hút/xả: G 1/2" | G1/2".
- Chân lưu khí (Gas Ballast) được đặt gọn phía trên mặt bơm chân không Leybold SOGEVAC SV 10 B, có tác dụng: loại bỏ ngưng tụ hơi nước (hạn chế lẫn với dầu) và điều chỉnh áp (tăng/giảm) một cách nhanh chóng và thuận tiện.
- Bơm chân không Leybold SOGEVAC SV 10 B trang bị cơ cấu chống hút ngược kép, tự động ngăn dầu hút ngược và bảo vệ hệ thống chân không của bạn khỏi sự nhiễm bẩn dầu một cách đáng tin cậy hơn sau khi tắt máy bơm chân không. Phớt chịu nhiệt FKM (Viton), tăng khả năng chống ăn mòn và giải quyết vấn đề rò rỉ dầu.
- Bơm chân không Leybold SOGEVAC SV 10 B sử dụng động cơ 0.55kW/220V/50-60Hz/1ph hoặc 0.55kW/380V/50-60Hz/3ph, tốc độ vòng quay động cơ max: 3.000 vòng/phút, độ ồn max: 62 dB(A).
- Bơm chân không Leybold SOGEVAC SV 10 B trang bị khe thăm dầu dọc đầu bơm, dễ quan sát tình trạng dầu, sử dụng dầu chân không chuyên dụng Leybonol LVO 120, với dung tích đổ mỗi lần (min/max): 0.5 lít. Khuyến nghị lên 3 tháng thay dầu một lần, để đảm bảo tuổi thọ và tính ốn định của bơm chân không Leybold SOGEVAC SV 10 B.
- Nhiệt độ môi trường đặt bơm chân không Leybold SOGEVAC SV 10 B hoạt động lý tưởng: 12 - 400C.
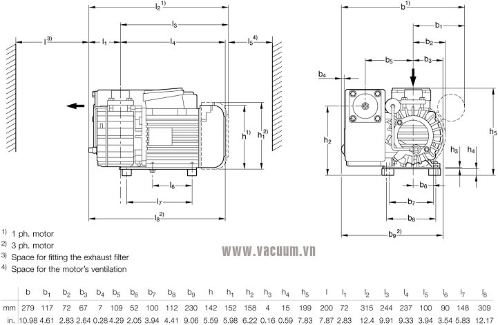
- Quy cách bơm chân không Leybold SOGEVAC SV 10 B (dài x rộng x cao): 315 x 230 x 199 mm, trọng lượng (chưa đổ dầu): 20 kg.
- Bơm chân không Leybold SOGEVAC SV 10 B được sản xuất và chế tạo tại nhà máy Leybold thuộc Tập đoàn Atlas Copco, đặt tại Đức. Made in Germany. DKV VIET NAM nhập khẩu, phân phối và service tại Việt nam.
- Để việc vận hành bơm chân không Leybold SOGEVAC SV 10 B hoàn chỉnh, quý khách lên lắp thêm: áp kế (đồng hồ đo chân không - vacuum gauge) để giám sát độ chân không của bơm. Cũng như lọc gió đầu vào (air inlet filter) để hạn chế bụi, dị vật lọt vào bơm và lọc tách dầu (oil mist filter) đường khí đầu ra, để hạn chế dầu thoát ra ngoài.
- Để tăng tốc độ hút, độ chân không giảm nhanh khi vận hành khởi động ban đầu, khách hàng có thể chọn thêm giải pháp ghép đôi giữa bơm chân không Leybold SOGEVAC SV 10 B với bơm tăng áp (root booster) chân không. Nhận tư vấn, cung cấp, thi công, lắp đặt hệ thống phối nhiều bơm chân không hoạt động cùng lúc, đấu nối với bơm tăng áp, bình tích khí, valve điều khiển, tủ điện điều khiển PLC....phù hợp với các dây chuyền lớn.
- Ngoài cung cấp bơm chân không Leybold SOGEVAC SV 10 B và các sản phẩm (dầu chân không, lọc chân không, cánh gạt và phụ tùng Edwards), chúng tôi còn có sẵn các loại bơm chân không tiêu chuẩn của WSA | Korea, Woosung | Korea, Value | China, giá rẻ hơn để thỏa mãn sự lựa chọn thêm của khách hàng, phù hợp với tiêu chí của khách hàng đặt ra.
- Giao hàng và service bơm chân không Leybold SOGEVAC SV 10 B toàn quốc cho mọi khách hàng, hãy liên hệ với chúng tôi tại các văn phòng gần nhất, để được phục vụ.
-
Thông tin niêm yết sản phẩm tại hãng Leybold

-
Catalogue, thông số kỹ thuật chi tiết xem tại đây









THAM KHẢO THÊM:
THÔNG TIN CHUNG:- Hãng sản xuất: Leybold/Germany (Made in Germany).
- Bảo hành: 12 tháng.
- CO, CQ do nhà sản xuất Leybold cấp. Option: CO Phòng thương mại Đức.

- Đơn giá: vui lòng liên hệ với chúng tôi để biết chi tiết.
- Xuất xứ: Leybold/Germany.
- CO, CQ ( test report) do Leybold cấp.
- Quy cách đóng gói: hộp carton.
- Bảo hành: 12 tháng.
- Thời gian giao hàng: 2-3 ngày đối với hàng có sẵn tại Việt nam, 10-30 ngày đối với hàng không có sẵn tại Việt nam.
- Giao hàng toàn quốc, vui lòng tham khảo chính sách giao hàng phía dưới website.
















