BƠM CHÂN KHÔNG TĂNG ÁP HOKAIDO RVT600 | HOKAIDO ROOTS BOOSTER PUMP RVT600


- Bơm tăng áp chân không Hokaido RVT600 , Hokaido roots booster vacuum pump RVT600 là loại bơm tăng áp, dùng làm bơm sơ cấp đầu vào cho các loại bơm thứ cấp (vòng dầu, khô), giúp thay đổi nhanh lưu lượng và độ chân không. Bơm tăng áp chân không Hokaido RVT600 có lưu lượng max: 600 m3/h, độ chân không hút sâu nhất: 5.10-4 mbar (0.05 Pa) sử dụng phổ biến trong công nghiệp.
- Công nghệ tạo chân không của bơm tăng áp chân không Hokaido RVT600: trục vít (hai rotor hình kén được dẫn động bằng trục vít, ăn khớp với nhau, quay ngược chiều nhau). Khí được hút vào cổng vào qua khe giới hạn bởi vỏ bơm và rotor. Thông qua chuyển động của rotor khí được bơm tới cửa xả, kết nối với bơm thứ cấp.
- Bơm tăng áp chân không Hokaido RVT600 không sử dụng các chất bôi trơn nội bộ, ít có dòng chảy ngược của dầu chân không, tạo ra môi trường chân không sạch sẽ.
- Áp suất chênh lệch tối đa cho phép: 120 mbar.


- Ứng dụng của bơm tăng áp chân không Hokaido RVT600: dùng làm bơm sơ cấp để tăng tốc độ hút và áp suất thay đổi nhanh cho bơm chân không thứ cấp trong dây chuyên công nghiệp (nhựa, hóa chất, điện tử, cao su, giấy, chế tạo máy...)
- Bơm tăng áp chân không Hokaido RVT600 có độ ồn trung bình: 70 dB(A), sử dụng động cơ 3 phase 3 kW/380 - 400 V/50Hz/3ph (cấp bảo vệ IP54.ISO F), tốc độ vòng quay động cơ: 2900 rpm. Size cổ hút/cổ xả: ISO 100 | ISO 80. Dung tích dầu bôi trơn: 2 lít.

- Thao tác lắp đặt vận hành và bảo dưỡng, bảo trì, sửa chữa bơm tăng áp chân không Hokaido RVT600, đơn giản, nhanh gọn. Hoạt động êm ái ổn định, tuổi thọ dài lâu.
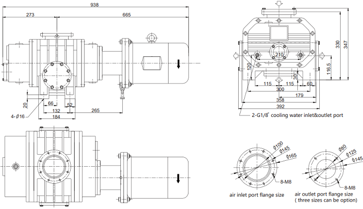
- Quy cách bơm tăng áp chân không Hokaido RVT600: trọng lượng: 198 kg, kích thước bao (dài x rộng x cao): 938 x 392 x 347 mm.
- Bơm tăng áp chân không Hokaido RVT600 được sản xuất tại Nhà máy của Dongguan Yazreid M&E Technology Co Ltd ở Quảng Đông - Trung Quốc. Made in China.
-
Thông tin niêm yết sản phẩm tại hãng Hokaido | China







THÔNG TIN HỖ TRỢ:
- Hãng sản xuất: Hokaido (Dongguan Yazreid M&E Technology Co Ltd) | China | Made in China.
- Bảo hành: 12 tháng.
- CO, CQ: nhà sản xuất Hokaido (Dongguan Yazreid M&E Technology Co Ltd) | Made in China cấp.

- Đơn giá: vui lòng liên hệ với chúng tôi để biết chi tiết.
- Xuất xứ: Hokaido | China (Made in China).
- Bảo hành: 12 tháng
- Quy cách đóng gói: hộp carton.
- Thời gian giao hàng: 2 - 3 ngày đối với hàng có sẵn tại Việt Nam, 10 - 30 ngày đối với hàng không có sẵn tại Việt Nam.
- Giao hàng toàn quốc, vui lòng tham khảo chính sách giao hàng phía dưới website.












