BƠM CHÂN KHÔNG KHÔ TRỤC VÍT HOKAIDO RSP150 | HOKAIDO DRY SCREW VACUUM PUMP RSP150


- Bơm chân không khô trục vít Hokaido RSP150, Hokaido dry screw vacuum pumps RSP150 thuộc dạng bơm hút chân không khô. không dầu, kiểu trục vít, có lưu lượng: 150 m3/h, độ chân không đạt: 4 Pa | 0.04 mbar, chuyên dùng để hút chân không trong công nghiệp.
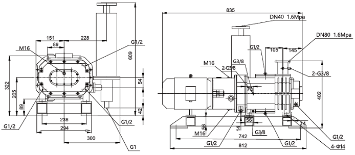
- Công nghệ tạo chân không của bơm chân không khô, không dầu Hokaido RSP150: trục vít (hai rotor dạng xoắn vít được dẫn động bằng trục vít, ăn khớp với nhau, quay ngược chiều nhau). Thao tác lắp đặt vận hành, đơn giản, nhanh gọn. Hoạt động êm ái ổn định, tuổi thọ dài lâu. Kích thước (cỡ) cổ hút/xả: DN 80 | DN 40.
- Chân lưu khí (Gas Ballast) được đặt gọn trên mặt bơm chân không khô trục vít Hokaido RSP150, có tác dụng: loại bỏ ngưng tụ hơi nước và điều chỉnh áp (tăng/giảm) một cách nhanh chóng và thuận tiện.
- Bơm chân không khô trục vít Hokaido RSP150 trang bị cơ cấu chống hút ngược kép, tự động ngăn hút ngược và bảo vệ hệ thống chân không của bạn khỏi sự nhiễm nước một cách đáng tin cậy hơn sau khi tắt máy bơm chân không. Phớt cơ khí (mechanical seals), tăng khả năng chống ăn mòn và giải quyết vấn đề rò rỉ.
- Bơm chân không khô trục vít Hokaido RSP150 thuộc dạng bơm chân không khô, không có chất bôi trơn (dầu mỡ) nên đảm bảo chân không hoàn toàn sạch và khô. Ứng dụng của bơm chân không khô trục vít Hokaido RSP150: trong dây chuyên công nghiệp (thực phẩm, đồ uống, nhựa, hóa chất, điện tử, cao su, giấy, chế tạo máy, chế biến gỗ...).

- Bơm chân không khô trục vít Hokaido RSP150 có độ ồn max: 75 dB(A), độ rung max: 1.8 mm/s. Sử dụng động cơ: 5.5 kW, điện áp 380V/50Hz/3ph, tiêu chuẩn DIN EN 60034, tốc độ vòng quay động cơ: 2.900 vòng/phút.
- Bơm chân không khô trục vít Hokaido RSP150 được làm mát bằng nước cưỡng bức (áp nước < 2 - 4 bar, nhiệt độ nước: 5 - 350 C, lưu lượng chảy 6 lít/phút, ren kết nối PT(JIS): 1/2" (1SA), chảy quanh thân bơm, giúp giải nhiệt tốt khi vận hành.
- Trọng lượng: 230 kg. Kích thước bao (dài x rộng x cao): 812 x 292 x 322 mm.
- Bơm chân không khô trục vít Hokaido RSP150 được sản xuất tại Nhà máy của Dongguan Yazreid M&E Technology Co Ltd ở Quảng Đông - Trung Quốc. Made in China.









THÔNG TIN HỖ TRỢ:
- Hãng sản xuất: Hokaido (Dongguan Yazreid M&E Technology Co Ltd) | China | Made in China.
- Bảo hành: 12 tháng.
- CO, CQ: nhà sản xuất Hokaido (Dongguan Yazreid M&E Technology Co Ltd) | Made in China cấp.

- Đơn giá: vui lòng liên hệ với chúng tôi để biết chi tiết.
- Xuất xứ: Hokaido | China (Made in China).
- Bảo hành: 12 tháng
- Quy cách đóng gói: hộp carton.
- Thời gian giao hàng: 2 - 3 ngày đối với hàng có sẵn tại Việt Nam, 10 - 30 ngày đối với hàng không có sẵn tại Việt Nam.
- Giao hàng toàn quốc, vui lòng tham khảo chính sách giao hàng phía dưới website.













