BƠM CHÂN KHÔNG HOKAIDO RH060C | HOKAIDO ROTARY VANE VACUUM PUMP RH060C | 60 m3/h | 7.10-4 mbar


- Bơm chân không Hokaido 2RH060C, Hokaido oil lubricated rotary vane vacuum pumps 2RH060C: thuộc dạng bơm hút chân không vòng dầu (oil-flooded), 2 cấp (dual stage) có lưu lượng: 60 m3/h, độ chân không 5x10-3mbar (khi đóng chấn lưu khí Gas Ballast) và 2.10-4 mbar (khi mở chấn lưu khí Gas Ballast), độ chân không tuyệt đối 7x10-4 mbar (khi đóng chấn lưu khí Gas Ballast) chuyên dùng để hút chân không trong công nghiệp.
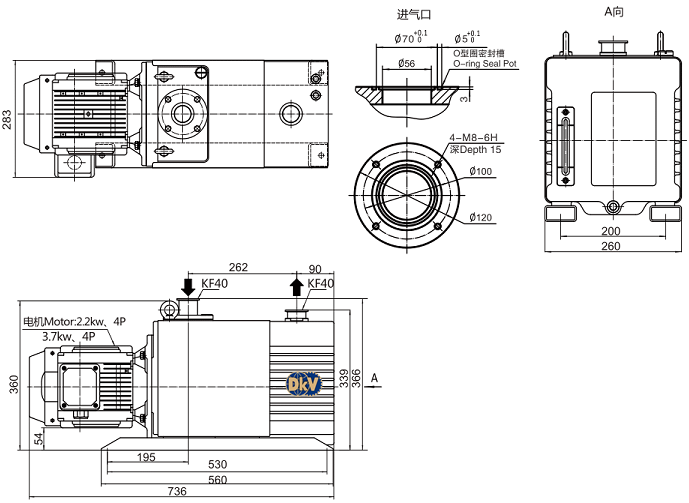
- Công nghệ tạo chân không của bơm chân không Hokaido 2RH060C: cánh gạt. Thao tác lắp đặt vận hành, đơn giản, nhanh gọn. Hoạt động êm ái ổn định, tuổi thọ dài lâu. Kích thước (cỡ) cổ hút/xả: KF40 | KF40.
- Bơm chân không Hokaido 2RH060C trang bị cơ cấu chống hút ngược kép, tự động ngăn dầu hút ngược và bảo vệ hệ thống chân không của bạn khỏi sự nhiễm bẩn dầu một cách đáng tin cậy hơn sau khi tắt máy bơm chân không. Phớt chịu nhiệt FKM (Viton), tăng khả năng chống ăn mòn và giải quyết vấn đề rò rỉ dầu.
- Chân lưu khí (Gas Ballast) được đặt gọn trên mặt bơm chân không Hokaido 2RH060C, có tác dụng: loại bỏ ngưng tụ hơi nước (hạn chế lẫn với dầu) và điều chỉnh áp (tăng/giảm) một cách nhanh chóng và thuận tiện
- Bơm chân không Hokaido 2RH060C có độ ồn max: 68 dB(A). Sử dụng động cơ: 2.2 kW, điện áp 230V/50Hz/1ph hoặc 380-400V/50Hz/3ph tiêu chuẩn DIN EN 60034, tốc độ vòng quay động cơ:1.400 vòng/phút.
- Bơm chân không Hokaido 2RH060C trang bị khe thăm dầu dọc đầu bơm, dễ quan sát tình trạng dầu, sử dụng dầu bôi trơn có dung tích 4.2 lít (Hokaido chỉ định dầu sử dụng là dầu chân không Hokaido HKD-68), có độ bền cao, chi phí bảo dưỡng, sửa chữa thấp.
- Trọng lượng: 91 kg. Kích thước bao: 736 x 283 x 366 mm.
- Bơm chân không Hokaido 2RH060C được sản xuất tại Nhà máy của Dongguan Yazreid M&E Technology Co Ltd ở Quảng Đông - Trung Quốc. Made in China. DKV VIET NAM nhập khẩu trực tiếp với tư cách làm đại lý phân phối và service sau bán hàng tại Việt nam.
- Ngoài cung cấp bơm chân không Hokaido 2RH060C và các sản phẩm (dầu chân không, lọc chân không, cánh gạt và phụ tùng Hokaido), chúng tôi còn có sẵn các loại bơm chân không tiêu chuẩn của WSA | Korea, Value |China chất lượng cao hơn, để thỏa mãn sự lựa chọn thêm của khách hàng, phù hợp với tiêu chí của khách hàng đặt ra.
- Giao hàng và service bơm chân không Hokaido 2RH060C toàn quốc cho mọi khách hàng, hãy liên hệ với chúng tôi tại các văn phòng gần nhất, để được phục vụ.
-
Thông tin niêm yết sản phẩm tại hãng Hokaido

-
Catalogue sản phẩm thuật chi tiết xem tại đây









THÔNG TIN HỖ TRỢ:
- Hãng sản xuất: Hokaido (Dongguan Yazreid M&E Technology Co Ltd) | China | Made in China.
- Bảo hành: 12 tháng.
- CO, CQ: nhà sản xuất Hokaido (Dongguan Yazreid M&E Technology Co Ltd) | Made in China cấp.

- Đơn giá: vui lòng liên hệ với chúng tôi để biết chi tiết.
- Xuất xứ: Hokaido | Yazreid Electromechanical Technology Ltd | China (Made in China).
- Bảo hành: 12 tháng
- Quy cách đóng gói: hộp carton.
- Thời gian giao hàng: 2 - 3 ngày đối với hàng có sẵn tại Việt Nam, 10 - 30 ngày đối với hàng không có sẵn tại Việt Nam.
- Giao hàng toàn quốc, vui lòng tham khảo chính sách giao hàng phía dưới website.












