BƠM CHÂN KHÔNG DVP PA 315 | BƠM HÚT CHÂN KHÔNG DVP PA 315 | DVP VACUUM PUMP PA 315


- Bơm chân không DVP PA 315, bơm hút chân không DVP PA 315, DVP oil-free vacuum pumps PA 315: là loại bơm chân không không dầu có lưu lượng: 250 m3/h, độ chân không đạt: 200 mbar chuyên dùng để hút chân không trong công nghiệp.
- Bơm chân không DVP PA 315 sử dụng động cơ: 5.5 kW/380V/50Hz/3ph, tốc độ vòng quay động cơ max: 2.800 vòng/phút.
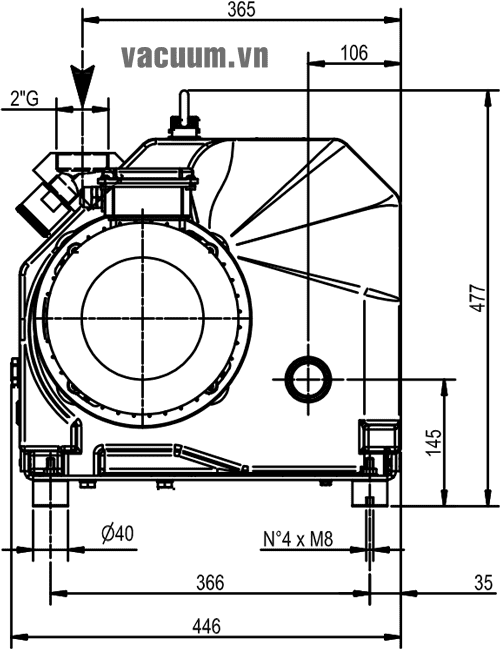
- Bơm chân không DVP PA 315 có độ ồn max: 79 dB(A) tại 50 Hz, size kết nối vào/ra bơm chân không DVP PA 155: 2”G / 1-1/4”G.
- Do bơm chân không DVP PA 315 thuộc dạng bơm chân không khô, không có chất bôi trơn (dầu mỡ) nên đảm bảo chân không hoàn toàn sạch và khô.
- Bơm chân không DVP PA 315 có độ bền cao, chi phí bảo dưỡng, sửa chữa thấp (chủ yếu thay gioăng xoắn ốc).
- Trọng lượng bơm chân không DVP PA 315: 160 kg.
- Nhiệt độ môi trường đặt bơm chân không DVP PA 155 hoạt động lý tưởng: 0 - 400C.
- Made in Italy.
- Bảo hành: 12 tháng.
-
Thông tin niêm yết sản phẩm tại hãng DVP/Italy

-
Catalogue, thông số kỹ thuật chi tiết xem tại đây









THÔNG TIN HỖ TRỢ:
- Xuất xứ: DVP/Italy.
- CO, CQ do nhà sản xuất DVP/Italy cấp.
- Bảo hành: 12 tháng.

- Đơn giá: vui lòng liên hệ với chúng tôi để biết chi tiết.
- Xuất xứ: DVP/Italy.
- CO, CQ ( test report) do DVP cấp.
- Quy cách đóng gói: hộp carton.
- Bảo hành: 12 tháng.
- Thời gian giao hàng: 2-3 ngày đối với hàng có sẵn tại Việt nam, 10-30 ngày đối với hàng không có sẵn tại Việt nam.
- Giao hàng toàn quốc, vui lòng tham khảo chính sách giao hàng phía dưới website.














