BƠM CHÂN KHÔNG DVP LC 12 | BƠM HÚT CHÂN KHÔNG DVP LC 12 | DVP VACUUM PUMP LC 12


- Bơm chân không DVP LC 12, bơm hút chân không DVP LC 12, DVP lubricated rotary vane vacuum pumps LC 12 thuộc dạng bơm hút chân không vòng dầu (oil-flooded), 1 cấp (single stage), loại nhỏ, có lưu lượng: 12 m3/h, độ chân không đạt: 2 mbar, chuyên dùng để hút chân không trong công nghiệp.
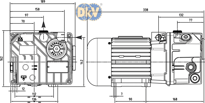
- Công nghệ tạo chân không của bơm chân không DVP LC 12: cánh gạt (3 cánh gạt). Thân vỏ bằng gang đúc, chắc chắn, làm mát bằng khí tự nhiên kết hợp với quạt cưỡng bức, thoát nhiệt tốt giúp bơm chân không DVP LC 12 hoạt động êm ái ổn định, tuổi thọ dài lâu, thân thiện môi trường. Kích thước (cỡ) cổ hút/xả: G 1/2" | G 1/2".
- Bơm chân không DVP LC 12 trang bị cơ cấu chống hút ngược kép, tự động ngăn dầu hút ngược và bảo vệ hệ thống chân không của bạn khỏi sự nhiễm bẩn dầu một cách đáng tin cậy hơn sau khi tắt máy bơm chân không. Phớt chịu nhiệt FKM (Viton), tăng khả năng chống ăn mòn và giải quyết vấn đề rò rỉ dầu.
- Bơm chân không DVP LC 12 có độ ồn max: 62 dB(A), sử dụng động cơ: 0.45 kW /230V/50Hz/1ph hoặc 0.37 kW/380V/50Hz/3ph, tốc độ vòng quay động cơ max: 2.800 vòng/phút.
- Bơm chân không DVP LC 12 trang bị khe thăm dầu dọc đầu bơm, dễ quan sát tình trạng dầu, sử dụng dầu bôi trơn có dung tích 0.3 - 0.4 lít (DVP chỉ định sử dụng dầu SW-40).
- Nhiệt độ môi trường làm việc phù hợp với bơm: 12 - 400C, độ ẩm < 80%. Bơm chân không DVP LC 12 bảo trì bảo dưỡng đơn giản, có chi phí thấp, chủ yếu thay thế cánh gạt, lọc tách dầu và thay dầu mới.
- Quy cách của bơm chân không DVP LC 12: trọng lượng: 14 kg (1 phase) | 12.5 kg (3 phase), kích thước bao (dài x rộng x cao): 338 x 189 x 162 mm.
- Bơm chân không DVP LC 12 được sản xuất tại Nhà máy của D.V.P Vacuum Technology SPA - Bologna - Miền Bắc - Italy. Made in Italy.
-
Thông tin niêm yết sản phẩm tại hãng DVP/Italy

-
Catalogue, thông số kỹ thuật chi tiết xem tại đây









THÔNG TIN HỖ TRỢ:
- Xuất xứ: DVP/Italy.
- CO, CQ do nhà sản xuất DVP/Italy cấp
- Bảo hành: 12 tháng.

- Đơn giá: vui lòng liên hệ với chúng tôi để biết chi tiết.
- Xuất xứ: DVP/Italy.
- CO, CQ ( test report) do DVP cấp.
- Quy cách đóng gói: hộp carton.
- Bảo hành: 12 tháng.
- Thời gian giao hàng: 2-3 ngày đối với hàng có sẵn tại Việt nam, 10-30 ngày đối với hàng không có sẵn tại Việt nam.
- Giao hàng toàn quốc, vui lòng tham khảo chính sách giao hàng phía dưới website.















