BƠM CHÂN KHÔNG DKV GWSPS150 | DKV OIL FREE SCROLL VACUUM PUMP GWSPS150 | 9.4 m3/h | 1.1.10-1 mbar


- Bơm chân không DKV GWSPS150, bơm hút chân không DKV GWSPS150, DKV dry scroll vacuum pump GWSPS150 thuộc dạng bơm hút chân không khô, không dầu (Dry scroll vacuum pump), có lưu lượng max: 9.4 m3/h, độ chân không sâu nhất: 0.11 mbar, độ dò rỉ tĩnh < 1x10-7mbar, chuyên dùng để hút chân không trong công nghiệp.
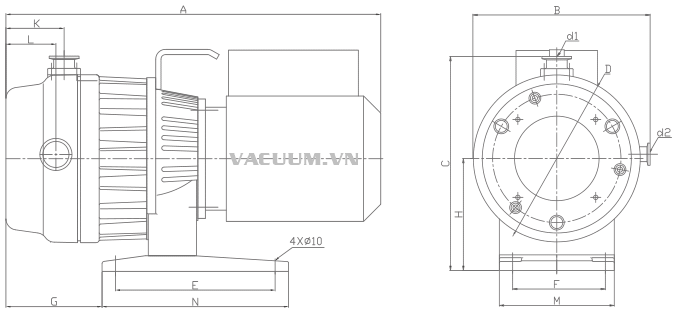
- Bơm chân không DKV GWSPS150 sử dụng động cơ 0.55 kW/220V/50Hz/1ph hoặc 0.55kW/380V/50Hz/3ph, độ ồn max: 61 dB(A, tiêu chuẩn IEC EN60320 C13, tốc độ vòng quay động cơ: 1.425 vòng/phút. Thân vỏ bằng gang đúc, chắc chắn, thoát nhiệt tốt giúp bơm chân không DKV GWSPS150 hoạt động êm ái ổn định, tuổi thọ dài lâu, thân thiện môi trường. Các cổ hút/xả theo tiêu chuẩn KF 25 | KF 16.
- Chân lưu khí (Gas Ballast) được đặt gọn trên mặt bơm chân không DKV GWSPS150, có tác dụng: loại bỏ ngưng tụ hơi nước và điều chỉnh áp (tăng/giảm) một cách nhanh chóng và thuận tiện.
- Bơm chân không DKV GWSPS150 hoạt động hiệu quả ở dải nhiệt độ: 41 - 1040C.
- Do bơm chân không DKV GWSPS150 thuộc dạng bơm chân không khô, không có chất bôi trơn (dầu mỡ) lên đảm bảo chân không hoàn toàn sạch và khô.
- Công nghệ chế tạo kiểu xoắn ốc acsimet (Một đĩa xoắn cố định, một đĩa xoắn còn lại quay quanh đĩa cố định, hai đĩa ăn khớp với nhau thông qua chuyển động lệch tâm. Khí sẽ đưa vào khoảng trống xoắn ốc giữa hai đĩa tạo ra, hai đĩa sẽ khép dần và tiến tới tâm hình xoắn ốc, khi thể tích nhỏ dần sẽ tạo ra áp suất lớn).
- Bơm chân không DKV GWSPS150 có độ bền cao, chi phí bảo dưỡng, sửa chữa thấp (chủ yếu thay gioăng xoắn ốc).
- Quy cách của bơm chân không DKV GWSPS150 (dài x rộng x cao): 510 x 265 x 275 mm, trọng lượng: 22 kg | 21 kg (cho tùy chọn động cơ 1 phase hay 3 phase).


- Bơm chân không DKV GWSPS150 là sản phẩm OEM (đặt hàng gia công chế tạo) tại Trung Quốc của DKV VACUUM thuộc DKV VIET NAM CO.,LTD. Made in China.








THÔNG TIN HỖ TRỢ:
- Hãng sản xuất: DKV VACUUM | OEM China | Made in China.
- Bảo hành: 12 tháng.
- CO, CQ: nhà sản xuất DKV VACUUM | OEM China | Made in China cấp.

- Đơn giá: vui lòng liên hệ với chúng tôi để biết chi tiết.
- Xuất xứ: DKV VACUUM | OEM | China (Made in China).
- CO, CQ ( test report) do DKV VACUUM cấp.
- Quy cách đóng gói: hộp carton.
- Bảo hành: 12 tháng.
- Thời gian giao hàng: 2 - 3 ngày đối với hàng có sẵn tại Việt nam, 10 - 30 ngày đối với hàng không có sẵn tại Việt nam.
- Giao hàng toàn quốc, vui lòng tham khảo chính sách giao hàng phía dưới website.












