BƠM CHÂN KHÔNG BECKER VARIAIR U 5.201 | BECKER VACUUM PUMP VARIAIR U 5.201


- Bơm chân không Becker Variair U 5.201, Becker vaccum pump Variair U 5.201 là loại bơm chân không vòng dầu cỡ lớn, lưu lượng max: 240 m3/h, phổ dụng trong công nghiệp. Bơm chân không Becker Variair U 5.201 có độ chân không tuyệt đối: 0.1 mbar.
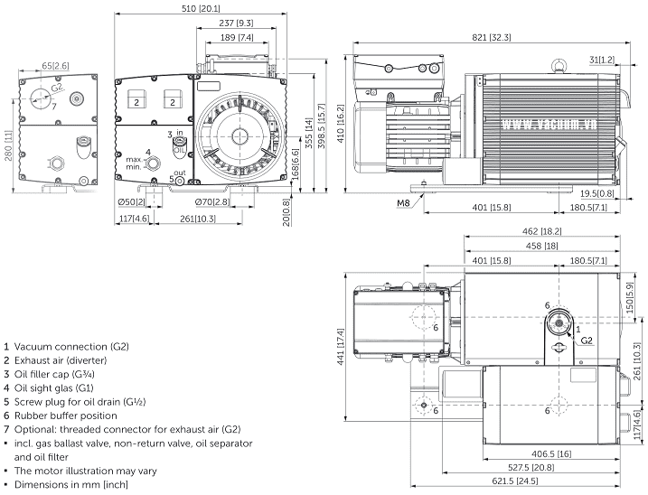
- Công nghệ tạo chân không của Bơm chân không Beker Variair U 5.201: cánh gạt. Thao tác lắp đặt vận hành, đơn giản, nhanh gọn. Hoạt động êm ái ổn định, tuổi thọ dài lâu. Kích thước (cỡ) cổ hút/xả: cút ren trong G 2" | G 2".
- Bơm chân không Becker Variair U 5.201 trang bị cơ cấu chống hút ngược kép, tự động ngăn dầu hút ngược và bảo vệ hệ thống chân không của bạn khỏi sự nhiễm bẩn dầu một cách đáng tin cậy hơn sau khi tắt máy bơm chân không. Phớt chịu nhiệt FKM (Viton), tăng khả năng chống ăn mòn và giải quyết vấn đề rò rỉ dầu.
- Chân lưu khí (Gas Ballast) được đặt gọn trên mặt bơm chân không Becker Variair U 5.201 có tác dụng: loại bỏ ngưng tụ hơi nước (hạn chế lẫn với dầu) và điều chỉnh áp (tăng/giảm) một cách nhanh chóng và thuận tiện.
- Ứng dụng của Bơm chân không Becker Variair U 5.201: trong dây chuyên công nghiệp (nhựa, hóa chất, điện tử, cao su, giấy, chế tạo máy...)
- Bơm chân không Becker Variair U 5.201 có độ ồn trung bình: 72 dB(A), sử dụng động cơ 3 phase 4 kW/330 - 440 V/50Hz/3ph (cấp bảo vệ IP55.ISO F)
-
Bơm chân không Becker Variair U 5.201 trang bị khe thăm dầu dọc đầu bơm, dễ quan sát tình trạng dầu, có dung tích dầu 5 lít, sử dụng dầu Becker M100 (khoáng)
, Becker S100 (tổng hợp)
, hoặc Becker SL100 (chuyên dùng cho thực phẩm)
. - Quy cách của bơm chân không Becker Variair U 5.201 (dài x rộng x cao): 821 x 510 x 410 mm. Trọng lượng: 107 kg.
- Bơm chân không Beker Variair U 5.201 được chế tạo và sản xuất tại Nhà máy của Becker GmbH, thủ phủ công nghiệp nước Đức - Wuppertal. Made in Germany. DKV VIET NAM nhập khẩu, phân phối và service tại Việt nam.
- Để việc vận hành bơm chân không Beker Variair U 5.201 hoàn chỉnh, quý khách lên lắp thêm: áp kế (đồng hồ đo chân không - vacuum gauge) để giám sát độ chân không của bơm. Cũng như lọc gió đầu vào Becker (air inlet filter) để hạn chế bụi, dị vật lọt vào bơm.
- Để tăng tốc độ hút, độ chân không giảm nhanh khi vận hành khởi động ban đầu, khách hàng có thể chọn thêm giải pháp ghép đôi giữa bơm chân không Beker Variair U 5.201 với bơm tăng áp (root booster) chân không Becker. Nhận tư vấn, cung cấp, thi công, lắp đặt hệ thống phối nhiều bơm chân không Beker Variair U 5.201 hoạt động cùng lúc, đấu nối với bơm tăng áp, bình tích khí, valve điều khiển, tủ điện điều khiển PLC....phù hợp với các dây chuyền lớn.
- Ngoài cung cấp bơm chân không Beker Variair U 5.201 và các sản phẩm (dầu chân không, lọc chân không, cánh gạt và phụ tùng Becker) luôn có sẵn, chúng tôi còn có sẵn các loại bơm chân không tiêu chuẩn, chất lượng thấp hơn của WonVac | Korea, Woosung | Korea, DooVac | Korea hoặc giá rẻ của Value | China để thỏa mãn sự lựa chọn thêm của khách hàng, phù hợp với tiêu chí của khách hàng đặt ra.
- Giao hàng và service bơm chân không Beker Variair U 5.201 toàn quốc cho mọi khách hàng, hãy liên hệ với chúng tôi tại các văn phòng gần nhất, để được phục vụ.
-
Thông tin sản phẩm niêm yết tại hãng

-
Thông số kỹ thuật chi tiết xem tại đây








- Đơn giá: vui lòng liên hệ với chúng tôi để biết chi tiết.
- Xuất xứ: Becker/Germany.
- CO, CQ ( test report) do Becker cấp.
- Quy cách đóng gói: hộp carton.
- Bảo hành: 12 tháng.
- Thời gian giao hàng: 2-3 ngày đối với hàng có sẵn tại Việt nam, 10-30 ngày đối với hàng không có sẵn tại Việt nam.
- Giao hàng toàn quốc, vui lòng tham khảo chính sách giao hàng phía dưới website.




















