MÁY THỔI KHÍ CHÂN KHÔNG BECKER SV 130/2 | BECKER SIDE CHANNEL BLOWERS SV 130/2 | 70 m3/h | +400 mbar


- Máy thổi khí chân không Becker SV 130/2, Becker side channel blowers SV 130/2: là loại bơm hút chân không (không dầu, thổi khí), thuộc dòng series: SV do hãng Becker/Đức sản xuất, lưu lượng max: 70 m3/giờ, độ chân không tối đa: +160 - +400 mbar. Máy thổi khí chân không Becker SV 130/2 sử dụng phổ biến trong công nghiệp, đặc biệt công nghiệp sạch.
- Máy thổi khí chân không Becker SV 130/2 là loại máy thổi khí chân không thuộc dạng 2 cấp tốc độ, sử dụng động cơ: 0.55/1.1 kW 200-400V/50Hz/1-3ph, tốc độ vòng quay max: 2.892 - 2.903 rpm, độ ồn tối đa: 59.8 - 60.4 dBA.
- Nhờ thiết kế đơn giản, nên bơm Máy thổi khí chân không Becker SV 130/2 có khả năng làm mát tối ưu. Được trang bị bên trong khối động cơ giúp cho máy không bị nóng lên khi phải hoạt động liên tục với cường độ cao mà vẫn đảm bảo được hiệu suất công việc.
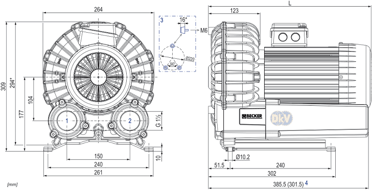
- Máy thổi khí chân không Becker SV 130/2 có cổ hút/cổ xả tiêu chuẩn G 1.1/2", cho phép đấu nối nhanh với các thiết bị bên ngoài.
- Máy thổi khí chân không Becker SV 130/2 không những có thiết kế nhỏ gọn, tiện cho việc di chuyển, mà còn có độ tin cậy cao khi được trang bị thân bằng thép đặc tính chống ăn mòn, cung cấp hiệu suất hoạt động tuyệt vời với độ ổn định bơm cao, dễ sử dụng, dễ bảo trì.
- Kích thước tổng thể của máy thổi khí chân không Becker SV 130/2 (dài x rộng x cao): 385.5 x 264 x 309 mm. Trọng lượng: 23 kg.
- Máy thổi khí chân không Becker SV 130/2 được sản xuất và chế tạo tại Nhà máy của Becker - Wuppertal - Đức (ngoài ra Becker còn có mạng lưới phân phối toàn cầu và các địa điểm sản xuất trên toàn thế giới). DKV VIET NAM nhập khẩu trực tiếp từ Đức. Made in Germany.
-
Thông tin sản phẩm niêm yết chính thức tại hãng Becker.

-
Catalogue, thông số kỹ thuật sản phẩm chi tiết xem tại đây.

- Đơn giá: vui lòng liên hệ với chúng tôi để biết chi tiết.
- Xuất xứ: Becker/Germany.
- CO, CQ ( test report) do Becker cấp.
- Quy cách đóng gói: hộp carton.
- Bảo hành: 12 tháng.
- Thời gian giao hàng: 2-3 ngày đối với hàng có sẵn tại Việt nam, 10-30 ngày đối với hàng không có sẵn tại Việt nam.
- Giao hàng toàn quốc, vui lòng tham khảo chính sách giao hàng phía dưới website.




































