BƠM CHÂN KHÔNG BECKER SV 200/2 | BECKER VACUUM PUMPS SV 200/2 | 90 m3/h | -400 mbar


- Bơm chân không Becker SV 200/2, Becker vacuum pump SV 200/2: là loại bơm chân không (không dầu, khô), thuộc dòng series: SV do hãng Becker/Đức sản xuất, lưu lượng max: 90 m3/giờ, độ chân không tối đa: -280 - -400 mbar. Bơm chân không Becker SV 200/2 sử dụng phổ biến trong công nghiệp, đặc biệt công nghiệp sạch.
- Bơm chân không Becker SV 200/2 sử dụng động cơ: 1.1 - 1.5 kW 200-400V/50Hz/1-3ph, tốc độ vòng quay max: 2.870 - 2.900 rpm, độ ồn tối đa: 65.6 dBA.
- Nhờ thiết kế đơn giản, nên bơm chân không Becker SV 200/2 có khả năng làm mát tối ưu. Được trang bị bên trong khối động cơ giúp cho máy không bị nóng lên khi phải hoạt động liên tục với cường độ cao mà vẫn đảm bảo được hiệu suất công việc.
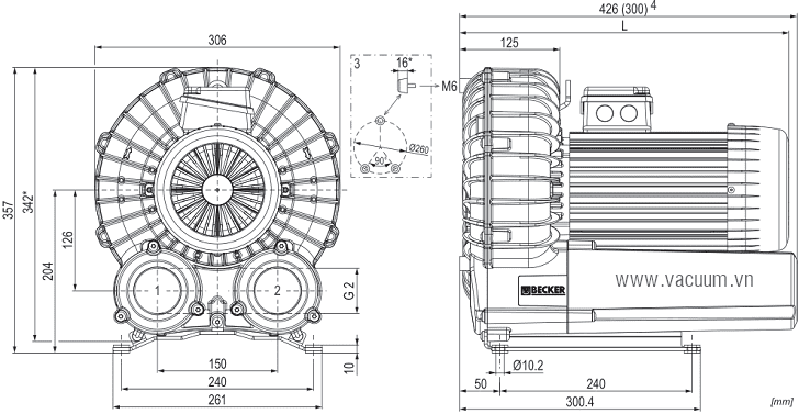
- Bơm chân không Becker SV 200/2 có cổ hút/cổ xả tiêu chuẩn G 2", cho phép đấu nối nhanh với các thiết bị bên ngoài.
- Bơm chân không Becker SV 200/2 không những có thiết kế nhỏ gọn, tiện cho việc di chuyển, mà còn có độ tin cậy cao khi được trang bị thân bằng thép đặc tính chống ăn mòn, cung cấp hiệu suất hoạt động tuyệt vời với độ ổn định bơm cao, dễ sử dụng, dễ bảo trì.
- Kích thước tổng thể của bơm chân không Becker SV 200/2 (dài x rộng x cao): 421 x 357 x 306 mm. Trọng lượng: 28.5 kg.
- Bơm chân không Becker SV 200/2 được sản xuất và chế tạo tại Nhà máy của Becker - Wuppertal - Đức (ngoài ra Becker còn có mạng lưới phân phối toàn cầu và các địa điểm sản xuất trên toàn thế giới). DKV VIET NAM nhập khẩu trực tiếp từ Đức. Made in Germany.
-
Thông tin sản phẩm niêm yết chính thức tại hãng Becker.

-
Catalogue, thông số kỹ thuật sản phẩm chi tiết xem tại đây.

- Đơn giá: vui lòng liên hệ với chúng tôi để biết chi tiết.
- Xuất xứ: Becker-International/Germany.
- CO, CQ ( test report) do Becker cấp.
- Quy cách đóng gói: hộp carton.
- Bảo hành: 12 tháng.
- Thời gian giao hàng: 2-3 ngày đối với hàng có sẵn tại Việt nam, 10-30 ngày đối với hàng không có sẵn tại Việt nam.
- Giao hàng toàn quốc, vui lòng tham khảo chính sách giao hàng phía dưới website.

































